临湘市人民政府 市场监督管理局
政府信息公开
政府信息公开指南
政府信息公开制度
法定主动公开内容
机构设置
人事信息
政策文件
工商登记
信息公开
规划计划
资金信息
通知公告
(保健)食品整治
政府信息公开年报
依 申 请公 开
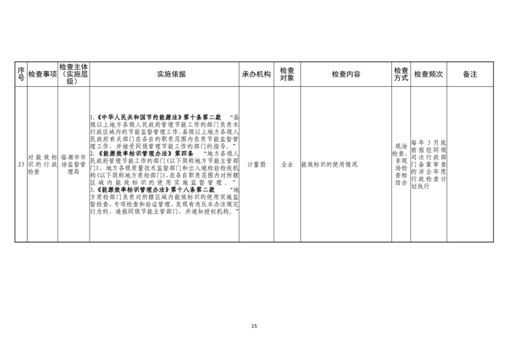
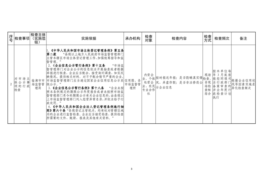
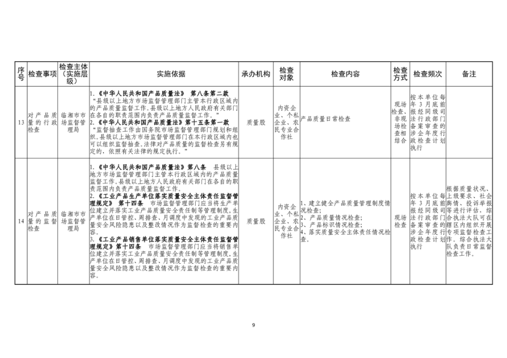
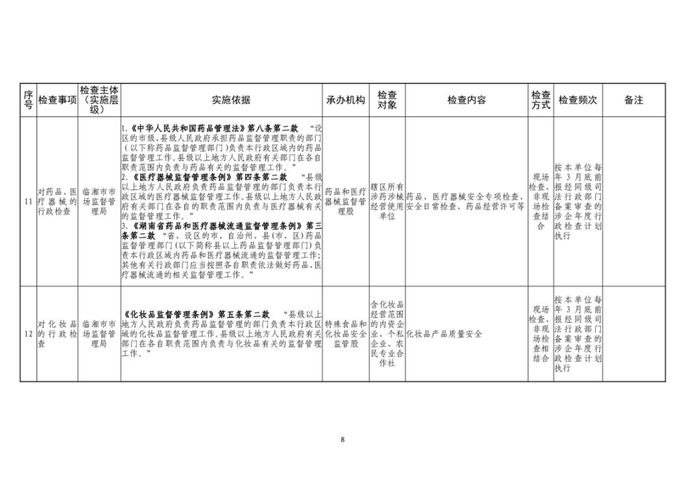
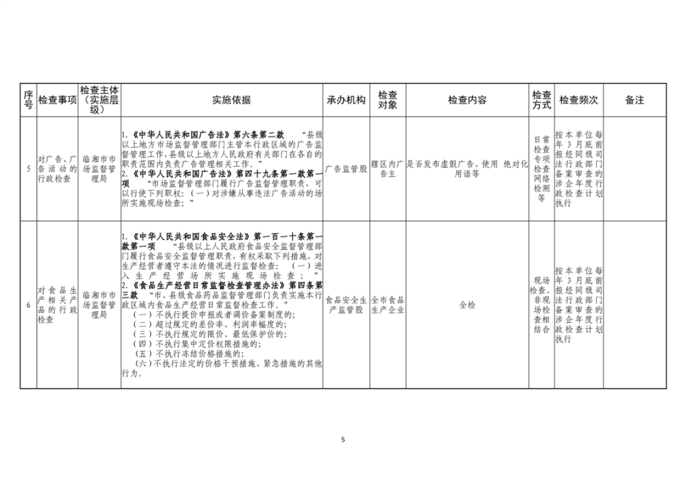
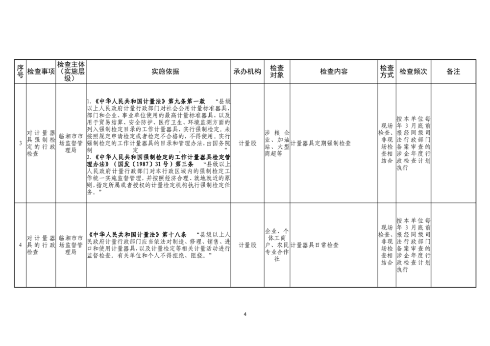
临湘市市场监督管理局关于印发《市场监管领域涉企行政检查事项清单》的通知
来源: 临湘市市场监督管理局
发布时间: 2025-03-25 09:40
浏览次数:
1