临湘市人民政府 财政局
政府信息公开
政府信息公开指南
政府信息公开制度
法定主动公开内容
机构设置
人事信息
政策文件
政府采购
会计管理
公告公示
规划计划
资金信息
财政监督
绩效管理
政府信息公开年报
依 申 请公 开
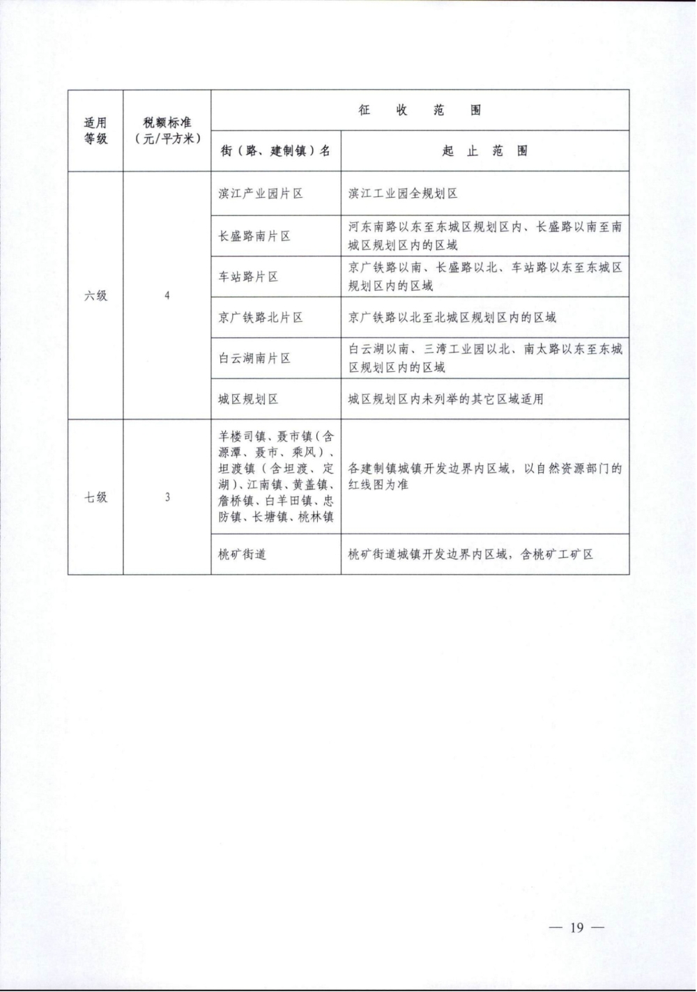
岳阳市临湘市城镇土地使用税地段等级适用税额范围表
来源: 临湘市财政局
发布时间: 2026-02-02 08:26
浏览次数:
1